 
                    金具・金属素材
最初に間隔時間(0?999分)を入力します。10分以上をお勧めします。次に、「SET」キーを押して実行時間(0?999秒)を入力します。120秒以内をお勧めします。最後に、「SET」キーを長押しして保存します...
 
                    金具・金属素材
【仕様】●型番:FTR-074-2●品名:ワッシャー【備考】※メーカーの都合により、パッケージ・仕様等は予告なく変更になる場合がございます。【検索用キーワード】TRUSCOFTR65G用ワッシャー トラスコFTR65Gヨウワッシャー ...
 
                    金具・金属素材
【重要:ご注文について】お客様のご都合による商品の交換・返品・数量変更は一切承っておりません。ご注文の際は慎重にお選びの上、ご注文願います。■ご注文の個数によっては、表示の出荷日目安よりも出荷まで日数を頂く場合がござ
 
                    金具・金属素材
グラファイトベースの潤滑剤: グラファイトパウダーのみを使用して作られた配合により、当社のドアロック潤滑剤は、スムーズなロック操作のための強力で信頼性の高いソリューションを提供します。この防塵、有害物質フリー、防錆、不凍潤滑剤は、どん...
 
                    金具・金属素材
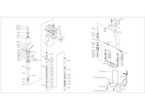
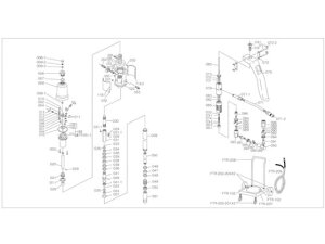
【仕様】●型番:FTR-074-1●品名:ピン【備考】※メーカーの都合により、パッケージ・仕様等は予告なく変更になる場合がございます。【検索用キーワード】TRUSCOFTR65G用ピン トラスコFTR65Gヨウピン TRUSCOGポン...
 
                    金具・金属素材
【仕様】●型番:FTK-004●品名:ワッシャー【備考】※メーカーの都合により、パッケージ・仕様等は予告なく変更になる場合がございます。【検索用キーワード】TRUSCOFTK8、70共用ワッシャー トラスコFTK8、70キョウヨウワッ...
 
                    金具・金属素材
簡単にジョッキへの移し替えができます。 受台付きなので、ペール缶からポンプなしで補充できます。 ■用途 潤滑油用。 ■セット内容 3/4ボールバルブ、ストリートエルボ、整流管、給油口キャップ、油量計、ドレンプラグ...
 
                    金具・金属素材
■特徴 置き場所を選ばない角筒タイプの潤滑油タンクです。 20Lペール缶が5個分保管できます。 直視式油量計で残量が簡単に確認できます。 ■用途 潤滑油用。(廃油不可) ■仕様 色:ブルー アンカーピッチ:381×381mm...
 
                    金具・金属素材
【仕様】●型番:FTR-074-1●品名:ピン【備考】※メーカーの都合により、パッケージ・仕様等は予告なく変更になる場合がございます。【検索用キーワード】TRUSCOFTR65G用ピン トラスコFTR65Gヨウピン TRUSCOGポン...
 
                    金具・金属素材
【用途】 緩み止め。 【特徴】 脱着がとても簡単です。 【仕様】 ●規格:M10。 ●入り数:5パック。 【材質】 【ブランド】 大里 【メーカー名】 株式会社大里 商品情報 メーカー名 株式会社大里 名称 ノルトロックワッシャ5パッ...
 
                    金具・金属素材
フランジ付きスリーブベアリング サイズ:ID 18mm OD 20mm 素材:真鍮 用途:機械およびその他の分野
 
                    金具・金属素材
放射能環境に適しています。 幅広い温度で塗布できます。 汚れや腐食の環境下でも使用できます。 金属ベースの素材は導電性があり、静電効果はありません。 その他 - ボア径を小さくしたり、ホイールの古くなったオリジナルのブッシングの交換に...
 
                    金具・金属素材
焼結含油ブッシュの自己潤滑機能により、無給油で安心・安全な運転を実現します。 チェーンNo.60 ピッチ(mm)19.05 ユニットリンク数160 ローラー外径(mm)11.91 引張強度(kN)43.1 内リンク内幅(mm)12.7...
 
                    金具・金属素材
狭い場所にも設置可能です。 油の取り出しはバルブを開くだけで、簡単にジョッキへの移し替えができます。 ■用途 潤滑油用。 ■セット内容 3/4ボールバルブ、ストリートエルボ、整流管、給油口キャップ、油量計、ドレンプラグ...
 
                    金具・金属素材
【仕様】●型番:FTK-018●品名:ピン【備考】※メーカーの都合により、パッケージ・仕様等は予告なく変更になる場合がございます。【検索用キーワード】TRUSCOFTK8、70共用ピン トラスコFTK8、70キョウヨウピン TRUSC...
 
                    金具・金属素材
【重要:ご注文について】お客様のご都合による商品の交換・返品・数量変更は一切承っておりません。ご注文の際は慎重にお選びの上、ご注文願います。■ご注文の個数によっては、表示の出荷日目安よりも出荷まで日数を頂く場合がござ
金具・金属素材カテゴリで検索されているキーワード:
お探しの商品はみつかりましたか?
ご利用前にお読み下さい
© Kakaku.com, Inc. All Rights Reserved. 無断転載禁止