ガソリン添加剤・オイル添加剤
「汚れも落ちるが、指紋もなくなる」というのと違い、におい、刺激、毒性、引火等の危険性がなく、 手にも環境にも優しい、マルチなクリーナーです。
この商品で絞り込む
ガソリン添加剤・オイル添加剤
メーカーエル日昌/エル日昌商品カテゴリ車・バイク用工具・ツール>タイヤ・ホイール用ツール発送目安1日〜2日以内に発送予定(土日祝除)お支払方法銀行振込・クレジットカード送料送料無料特記事項その他[日東エルマテリアル(株)][新
この商品で絞り込む
ガソリン添加剤・オイル添加剤
●メーカー名:エスコ / ESCO●商品名:30sqx 35cm アーシングケーブル●メーカー品番:EA812JZ-35A●JANコード:4548745383676商品の保証は、メーカー保証書の内容に準じます。●備考■ボディアース用大...
この商品で絞り込む
車用エンジンオイル
エンジン内部の摩擦と摩耗を減少させ、燃費を向上させるエンジンオイル添加剤です。
ガソリン添加剤・オイル添加剤
広範な用途: 産業工具・自動車機構・食品ライン設備・電子部品の要求仕様に適合。多用途グリスとして様々な機械メカニズムの信頼性を支えます 優れた酸化防止: 長期間の潤滑を実現する耐酸化配合により、重要な部品の寿命を最大限に延ばし、効率的...
ガソリン添加剤・オイル添加剤
オイルガード(Oil Guard) 油や水・その他溶剤等に対応可能な吸着マット PS9142 多目的用(油・水・溶剤等)の漏洩対策マット 水、油、酸、アルカリなど、様々な液体を吸収可能な万能タイプの吸着マットです...
人気の関連ワードで探す:
ガソリン添加剤・オイル添加剤
メーカー名:コスモ石油ルブリカンツ 《用 途》 コスモタービンは、特につぎのような個所でのご使用をお推めいたします。 1.潤滑油の漏洩が多い機械 潤滑油の消費が多い機械では、補給によって常に新油に近い状態で使用さ
ガソリン添加剤・オイル添加剤
●メーカー名:エスコ / ESCO ●商品名:#NAME? メーカー品番:EA812JZ-11 JANコード:4548745383539 ■材質…無酸素銅(錫メッキ)■端子用ボルト径…8mm■適合バッテリー…Dタイプ
この商品で絞り込む
ガソリン添加剤・オイル添加剤
他店舗でも併売しているため、一部在庫切れが起きる場合がございます。そのため一部取り寄せとなり、遅延やキャンセルとなる場合がございます。簡易梱包での発送になります、衣類やぬいぐるみ等は圧縮後の発送になります。
この商品で絞り込む
ガソリン添加剤・オイル添加剤
厳しい条件下でも強力な性能を発揮する、耐熱・耐圧性にすぐれた長期防錆・潤滑剤。○フッ素樹脂(PTFE)と極圧剤を配合し、可動部をはじめ高温部や極圧部・高荷重部の性能を最大限に引きだします。○特殊添加剤の働きで、金属表面の極めて微小な穴...
この商品で絞り込む
ガソリン添加剤・オイル添加剤
■特徴 色別管理や異物混入対策に適したステンレス容器です。 パッキンの色を変えることで、識別ができます。 色付きなので、容器ごとの使い分けも可能です。 万が一破片が混入しても発見しやすい、赤・青・緑の3色です。 ■用途 液体・粉体な...
この商品で絞り込む
ガソリン添加剤・オイル添加剤
(1)
bjkkxt1st商品名ブレーキブリーダー ブレーキフルード オイルチェンジャー ワンウェイバルブ 逆流防止弁 ワンマンブリーダー オイル処理箱 逆止弁 エア抜きブランドCLINER「逆止弁付き」ブレーキフル...
この商品で絞り込む
ガソリン添加剤・オイル添加剤
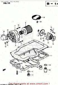
■商品概要オイルポンプ - オイルフィルター画像番号1■注意点※パーツリストの画像は「Suzuki Gs750a 1983 (d) Usa (e03)」の車種のものです。※一部商品は、パーツリストの画像番号が変更となり...
ガソリン添加剤・オイル添加剤
サイズ:1L◆商品名:古河薬品工業(KYK) ブレーキフルードBF-3 1L [HTRC3]JIS規格及び米国連邦規格以上の高沸点を有し、厳しい条件下でも高性能を長期間保ちます優れた低高温度時の粘度特性を有し、ストローキングテストによ...
この商品で絞り込む
この商品で絞り込む
ガソリン添加剤・オイル添加剤
商品画像はイメージ画像です。実際とは異なる場合がございます。 ■仕様 ガロン瓶ボトルキャップ ポート4 バルブ有 【入数】 1点 007171546
この商品で絞り込む
ガソリン添加剤・オイル添加剤
■商品説明・パワーステアリングオイル補充用オイル・劣化したオイルシールを復元させる添加剤が配合してあります■商品情報・分類:添加剤・メーカー:ROOT SANGYOU/ルート産業・品名:NEW POWER...
この商品で絞り込む
この商品で絞り込む
人気の関連ワードで探す:
ガソリン添加剤・オイル添加剤
車輪径:φ150mm(ゴム車)車輪幅:50mmEA520WB-3用替キャスター自在キャスター入数は1個入りです。000012237473
この商品で絞り込む
ガソリン添加剤・オイル添加剤
●メーカー名:エスコ / ESCO ●商品名:300A 充電用クリップ(赤・黒) メーカー品番:EA812JY-44 JANコード:4548745383324 ■電流…300A■全長…165mm■材質…鉄(ニッケルメ
この商品で絞り込む
ガソリン添加剤・オイル添加剤
車メーカーHONDA / ホンダ車種インテグラ年式1995年10月〜1996年9月型式DB8 DC2打刻DB8-110 DC2-110品番90000-XYB-B100品名ハイパフォーマンス ブレーキフルード詳細Honda車専用に開発さ...
この商品で絞り込む
ガソリン添加剤・オイル添加剤
多目的設計: 産業用機械・自動車部品・食品生産システム・電子機器向けに設計。幅広い互換性を考慮した一貫した機能性を提供する潤滑ソリューション 優れた酸化防止: 長期間の潤滑を実現する耐酸化配合により、重要な部品の寿命を最大限に延ばし、...
ガソリン添加剤・オイル添加剤
エアコンプレッサー接続式のブレーキブリーダーです。 車両のブレーキフルード交換やエア抜き作業を一人で簡単に行うことができ、ABSシステム搭載車にも対応しています。 エアコンプレッサーの圧力を利用してタンク内に負圧を発生させ
ガソリン添加剤・オイル添加剤
商品画像はイメージ画像です。実際とは異なる場合がございます。 ■仕様 ホーローシール容器 WS−S 【入数】 1点 021330901
ガソリン添加剤・オイル添加剤
生産まで一貫して手がける総合エネルギー企業です。ライダーのために考えられた万能で親しみやすいオイル■商品番号:007438■入数:1L■2輪車用エンジンオイル
この商品で絞り込む
ガソリン添加剤・オイル添加剤
・ボディ面・ガラス面(フロントウィンドウガラスを除く)に付いたカルキ※を簡単に落とせる商品です。 ※カルキとは・・・水道水や井戸水等に含まれるカルシウム分等が付着したもので、通常シャンプー等では落とせません。 ・ボディーコート剤の下地...
ガソリン添加剤・オイル添加剤
メーカーヨトリヤマ商品カテゴリ車・バイク用工具・ツール>自動車整備工具発送目安1日〜2日以内に発送予定(土日祝除)お支払方法銀行振込・クレジットカード送料送料無料特記事項その他[(株)ヨトリヤマ][新着]
この商品で絞り込む
ガソリン添加剤・オイル添加剤
内容量:80g使用温度範囲:-70から180℃色:白重量:85gリチウム石鹸基低温用NLGl-2低温で固まりにくく、あらゆる素材の相互間の組合わせに有効な潤滑剤です。耐熱性、耐水性、耐膨潤、防錆、長期潤滑に優れています。グリースが白色なので
この商品で絞り込む
ガソリン添加剤・オイル添加剤
(2)
洗浄用オイル添加剤即効性のエンジンフラッシングでエンジン内部の汚れをスピーディーに洗浄します。
この商品で絞り込む
ガソリン添加剤・オイル添加剤
<納期コメント>本商品は取り寄せ商品で、入荷次第出荷となります。(その為、納期は「未定」の表記になっております)入荷次第出荷の商品ではございますが、万が一欠品や完売、納品まで長期の日数がかかる、または納期が未定などの
この商品で絞り込む
ガソリン添加剤・オイル添加剤
のであらかじめご了承のうえお買い求めくださいますようお願いいたします。入数:1本オイル下がりとオイル上がりによるオイル消費を改善し、あらゆるゴムシ
この商品で絞り込む
ガソリン添加剤・オイル添加剤
メーカー/商品名 無限 ハイパフォーマンスオイルエレメント 車種 シビック [型式] FC1/FK7 [年式] 20/01- 商品番号 15400-XK5B-0100 商品説明 エンジン内...
ガソリン添加剤・オイル添加剤
●メーカー名:古河薬品工業 / KYK(コガヤクヒンコウギョウ)●商品名:KYK 水抜剤ディーゼル●メーカー品番:61-201●JANコード:4972796060505商品の保証は、メーカー保証書の内容に準じます。●仕様ディーゼル車専...
この商品で絞り込む
ガソリン添加剤・オイル添加剤
※商品の参考画像です。実物とは異なる場合があります。 カラー、サイズ等は商品説明欄をご確認ください。 商品名:オイルジョッキ 2リッターレッド ブランド:フルプラ 弊社品番:26992167 JANコード:4977263103204...
この商品で絞り込む
ガソリン添加剤・オイル添加剤カテゴリで検索されているキーワード:
お探しの商品はみつかりましたか?
ご利用前にお読み下さい
© Kakaku.com, Inc. All Rights Reserved. 無断転載禁止