その他のカー用品
車両ハーネスを加工することなくヒューズボックスから簡単に電源が取り出せる。ドライブレコーダーやレーダー探知機の配線にも便利。
この商品で絞り込む
その他のカー用品
商品品番DCR7EIX(2493)x2本メーカーHARLEY-DAVIDSON / ハーレーダビッドソン機種名XL50(スポーツスター) (’07〜)型式-必要本数2注意事項記号(注意事項)の説明◎:各メーカールートよりご購入してくだ...
その他のカー用品
Steering Shaft for 2003 Ford F-150 Harley-Davidson EditionカテゴリSteering Shaft状態海外直輸入品 新品メーカー車種発送詳細 送料無料 (※北海道、沖縄、離島は省く...
その他のカー用品
Gray Dash Cover Dash Board 1971-1972 Chevy KingsWood Wagon CH6-0カテゴリUSダッシュボード カバー状態新品メーカー車種発送詳細送料一律 1000円(※北海道、沖縄、離島は...
その他のカー用品
■詳細説明・CNCマシニングによる削り出し。・アルマイト塗装によるブラック仕上げ。・センター部分のロゴの有無を選択できます。■注意点※メーカー都合により商品の仕様変更がある場合がございます。ご了承ください。※ソフテイルはF
人気の関連ワードで探す:
その他のカー用品
全国一律送料無料。※沖縄県送料:1500円
その他のカー用品
■商品概要EMD製2個1セット■詳細説明1999年式以降のすべてのツインカムに適合します。■注意点※画像には他のカラーが含まれている場合があります。※世界情勢の影響を受け為替や輸送費の変動により定価金額が変わる場合があります。※
その他のカー用品
Gray Dash Cover Dash Board 2007-2008 Chevy AveoMat Pad -Custom Fit-CH100-0 カテゴリUSダッシュボード カバー状態新品メーカー車種発送詳細送料一律 1000円(...
その他のカー用品
■品番AT-130E41R ■メーカーATLASBX/アトラスBX ■形式名130E41R ■個数1個 ■商品名ATLASBX standard 国産車バッテリー Dynamic Power ■専用別農業機械 トラック用 ■コード番号...
その他のカー用品
Fork Seal Driver Tool 49/50mm For Harley-Davidson FLHR 1690 Road King 2014カテゴリFork Seals状態新品メーカー車種発送詳細全国一律 送料無料 (※北海道...
その他のカー用品
■商品概要Alternator Rotor - 54 A High-Output - Harley DavidsonAmps:54 ABattery Voltage:12 VMaterial:SteelProduct Name:Rot...
その他のカー用品
For Chevrolet Equinox 2017-Up Gray Dashboard Dash Mat Cover Anti-Slip Pad Matカテゴリダッシュボードマット状態新品メーカー車種発送詳細送料一律 1000円(※...
その他のカー用品
■商品概要素材:アルミ製サイズ:ホイールカバー直径約380ミリ、内径約120ミリ、厚さ(一番厚い部分)約30ミリ入数:2枚■詳細説明こちらは2枚セットの商品です。■適合車種汎用汎用
その他のカー用品
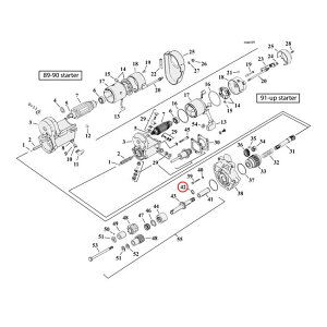
■商品概要STARTER EXTENSION SHAFT INNER■注意点※取り扱い説明書は英語となります。※輸入商材の為、納期が遅れる場合がございます。あらかじめご了承ください。■適合車種89-06 B.T.(NU)(EXCL. ...
その他のカー用品
ツインカムモデルのエンジンをクロームでドレスアップ。フィッティング、パフォーマンスに優れた高品質パーツです。’06〜’17ダイナモデルでフォワードコントロール装着車および’07〜’17ソフテイルモデルに適合。
その他のカー用品
■商品概要カラー:ナチュラル仕上げ:クロームU.S.A.製:○素材:アルミパッケージング:1個専用設計:○スタイル:カスタムパーツタイプ:ダービーカバーCOLOR:NaturalFINISH:ChromeMADE IN THE U.S...
その他のカー用品
■注意点※輸入商材の為、納期が遅れる場合がございます。あらかじめご了承ください。■適合車種55-72 H-D (NU)55-72 H-D (NU)
その他のカー用品
Harley-Davidson ハーレーダビッドソン イーグル(鷲・ワシ)1903 のエンブレムデザイン。高さ10.8×幅18cmの高品質のビニール製ダイカットデカール。メタリックなクロム素材のイーグルとB&Sのエンブレムは、凸凹のエ...
その他のカー用品
■バッテリー型式(品番)HD-155G51×2 ■数量2個 ■メーカーG&Yu BATTERY/G&Yuバッテリー ■商品名PRO HEAVY-D キャップタイプ ■機械メーカー三菱重工業 ■機種モーターグレーダー ■機種型式MG40...
その他のカー用品
■商品概要カラー:ブラックKW評価:1.4kWU.S.A.製:○モデル:SUPERTORQUEパッケージング:1個専用設計:○スタイル:パフォーマンスパーツタイプ:スターター電圧:12VCOLOR:BlackKW RATING:1.4...
人気の関連ワードで探す:
その他のカー用品
商品品番DCR7EIX(2493)x2本メーカーHARLEY-DAVIDSON / ハーレーダビッドソン機種名FLSTシリーズ(ヘリテイジ・ファットボーイ)(’00〜’06)型式-必要本数2注意事項記号(注意事項)の説明◎:各メーカー...
その他のカー用品
【品番】25340-99A 【商品名】ハーレーダビッドソンLIVETORIDEコレクションダービーカバー 【商品説明】 LivetoRide,RidetoLive.それはハーレーダビッドソンの精神を象徴するモットー。 数百万マイルの旅...
その他のカー用品
材質:high performance aftermarket replacement特徴:Fit Harley Davidson Motorcycle年式:same as oem商品種別:Wheel Bearing Remover直...
この商品で絞り込む
その他のカー用品
ダービーカバー、タイマーカバー、メダリオンプレートスタイル・シーシーバーアップライト、クローム・バッテリーカバーなどに幅広くご使用いただけます。
その他のカー用品
■商品概要メーカー品番:twp422617OEM品番/クロスリファレンス:32319-07A内容物:センサー×1■詳細説明マニホールド内の圧力を感知して、走行にフィードバックさせる、大事なセンサーですので不調な際にはリプレイスにお役立...
その他のカー用品
■注意点※取り扱い説明書は英語となります。※輸入商材の為、納期が遅れる場合がございます。あらかじめご了承ください。■適合車種80-88 FLT FXR (NU)80-88 FLT FXR (NU)
その他のカー用品
ツインカムモデルのエンジンをクロームでドレスアップ。フィッティング、パフォーマンスに優れた高品質パーツです。’99〜’17ダイナモデル、’99〜’16ツーリングモデル、トライグライドモデル、’00〜’17ソフテイルモデルに適合。
その他のカー用品
41mm Fork Seal Driver Tool For Harley-Davidson Night Train FXSTB 1999-2008 2009カテゴリFork Seals状態新品メーカー車種発送詳細全国一律 送料無料 ...
その他のカー用品
車両ハーネスを加工することなくヒューズボックスから簡単に電源が取り出せる。ドライブレコーダーやレーダー探知機の配線にも便利。
この商品で絞り込む
その他のカー用品
■バッテリー型式(品番)SHD-130E41R×2 ■数量2個 ■メーカーG&Yu BATTERY/G&Yuバッテリー ■商品名PRO HEAVY-D キャップタイプ ■機械メーカー小松製作所 ■機種モーターグレーダー ■機種型式GD...
その他のカー用品
■商品概要COLOR:BlackFINISH:AnodizedMADE IN THE U.S.A.:YesMATERIAL:AluminumNOTE:Will Also Fit Mikuni HSR 42/45 Carbs.PACKA...
その他のカー用品
Gray Dash Cover Dash Board 2007-2008 Chevy AveoMat Pad -Custom Fit-CH100-0 カテゴリUSダッシュボード カバー状態新品メーカーChevrolet車種Aveo発送...
その他のカー用品
【商品名】 ハーレーダビッドソン純正 クローム・ABSバルブステムキャップ ブラックベースにホワイト・バー&シールドロゴ 【商品番号】 41145-97 【商品説明】 グラフィック入りのクローム・キャップ。 サスペンション・エアバルブ...
その他のカー用品
All Balls Fork Oil & Dust Seal Kit Harley-Davidson XR1200X (2011-2012)カテゴリFork Seals状態新品メーカー車種発送詳細全国一律 送料無料 (※北海道、沖縄、...
その他のカー用品
■商品概要メーカー品番:022992OEM品番/クロスリファレンス:32316-99内容物:センサー×1個■詳細説明マニホールド内の圧力を感知して、走行にフィードバックさせる、大事なセンサーですので不調な際にはリプレイスにお役立て下さい。■
その他のカー用品
ミリ波レーダー付の後期型スーパーグレートのバンパースカートです●用途 ボディパーツ ●仕様 ボルト/ナット付き ●適合 【適合バンパー品番】510419/ミリ波レーダー付の後期型スーパーグレートタイプバンパー...
この商品で絞り込む
その他のカー用品
■商品概要EMD製■詳細説明2006年式以降のTWIN CAM DYNA(フットペグが「センター」位置にあるすべてのモデル用)に適合します。■注意点※ガスケットキットは付属しません。※画像には他のカラーが含まれている場合があります。※...
その他のカー用品
パワートレインをエレガントなブラックルックに換装する、フィッティング性に優れたエンジンカバー。耐熱性塗料を使用していますので仕上げが長持ちします。カスタムスタイルに合わせたプライマリーカバー、ロッカーハウジング、ロッ
その他のカー用品
■商品概要カラー:ナチュラル仕上げ:ポリッシュKW評価:1.4kWU.S.A.製:○モデル:SUPERTORQUEパッケージング:1個専用設計:○スタイル:パフォーマンスパーツタイプ:スターター電圧:12VCOLOR:NaturalF...
その他のカー用品
フォーク組立て作業時にシールへ使用するグリース。28g/チューブ入り
その他のカー用品カテゴリで検索されているキーワード:
お探しの商品はみつかりましたか?
ご利用前にお読み下さい
© Kakaku.com, Inc. All Rights Reserved. 無断転載禁止