その他のカー用品
■商品概要I USED■注意点※取り扱い説明書は英語となります。※輸入商材の為、納期が遅れる場合がございます。あらかじめご了承ください。■適合車種89-17 B.T. (excl. 2017 Touring); 81-17 XL; 0...
その他のカー用品
リモコン・レーダー・芳香剤など一時的な取外しを必要とする物の取り付けに。 ●押さえるだけでしっかり取付け可能で取外しも簡単。接着に適した素材:ステンレス、スチール、アルミ、ガラス、ABS樹脂、ポリカーボネート...
この商品で絞り込む
その他のカー用品
3Rows Aluminum Radiator+Shroud Fan+Relay For 1970-1974 Dodge Challenger Mopar V8カテゴリRadiator状態新品メーカー車種発送詳細全国一律 送料無料 (...
その他のカー用品
シルエットバー&シールドデカールデカールサイズ:12.7 cm x 10.2 cmオレンジ&ブラック合計1枚のデカール。アメリカ製 ハーレーダビッドソンのシルエットバー&シールドロゴデカール、CG25065。 高品質の明るいオレンジ色...
その他のカー用品
シーシーバーアップライト、バッテリーカバーに最適なアイテム。クロームベースにブラックのグラフィックと、アンティークなニッケル仕上げを用意しました。オーバル・バー&シールド、ウイング・バー&シールドはクローム・バックレ
その他のカー用品
■品番AT-150F51 ■メーカーATLASBX/アトラスBX ■形式名150F51 ■個数1個 ■商品名ATLASBX standard 国産車バッテリー Dynamic Power ■専用別農業機械 トラック用 ■コード番号23...
その他のカー用品
■商品概要カラー:ナチュラル仕上げ:ベースカラーKW評価:1.2kWU.S.A.製:○パッケージング:1個専用設計:○スタイル:パフォーマンスパーツタイプ:スターター電圧:12VCOLOR:NaturalFINISH:RawKW RA...
その他のカー用品
■バッテリー型式(品番)SHD-155G51×2 ■数量2個 ■メーカーG&Yu BATTERY/G&Yuバッテリー ■商品名PRO HEAVY-D キャップタイプ ■機械メーカー小松製作所 ■機種モーターグレーダー ■機種型式GD6...
その他のカー用品
◎メーカー純正部品◎【適合車種】・メーカー:ハーレーダビッドソン・車種:FLHRC ロードキング・クラシック ('07〜)・型式:-・年式:2007〜・備考:-・排気量:・排気量:1580-・商品品番:DCR7EIX 2493◆セット...
その他のカー用品
■品番EC-125D31L-ST-EA ■メーカーGS YUASA/GSユアサ ■商品名ECO.R/エコ.アール スタンダード ■数量1個 ■機械メーカーキャタピラージャパン(旧新キャタピラー三菱) ■機種グレーダー ■機種型式MG2...
その他のカー用品
Gray Dash Cover Dash Board 1978-1982 Chevy Corvette Mat Pad -Custom Fit-CH27-0カテゴリUSダッシュボード カバー状態新品メーカー車種発送詳細送料一律 100...
その他のカー用品
【メーカー型番】RV900D【JANコード】4905009093977【ブランド】IRIS【特徴】●ラゲッジスペースで、サブトランクとして使用するのに最適です。【用途】●ステーションワゴンのラゲッジスペースで、サブトランクとしkて使用...
この商品で絞り込む
その他のカー用品
キャブ前側ミリ波レーダーの照射範囲に干渉しない超薄型設計です。 ※取付後、ミリ波レーダーの作動確認をお願いします。 ※字光式ナンバーの取付には対応していません。 ※各車両メーカー様の架装資料書を確認の上...
この商品で絞り込む
その他のカー用品
Fork Seal Set fits Harley-DavidsonカテゴリFork Seals状態新品メーカー車種発送詳細全国一律 送料無料 (※北海道、沖縄、離島は省く)商品詳細輸入商品の為、英語表記となります。Condition...
その他のカー用品
■商品概要【メーカー品番】74364【色】・メッシュ部分:KARBONFIBR・金属部分:ブラック【サイズ】・長さ:34in・トラベルレングス:4-3/4in・エルボー:45度【内容物】・アイドルケーブル×1・フェルール×1■詳細説明...
その他のカー用品
Gray Dash Cover Dash Board 2007-2008 Chevy AveoMat Pad -Custom Fit-CH100-0 カテゴリUSダッシュボード カバー状態新品メーカーChevrolet車種Aveo発送...
その他のカー用品
49/50mm Fork Seal Driver Tool For Harley-Davidson VRSCX 1130 V-Rod 2007カテゴリFork Seals状態新品メーカー車種発送詳細全国一律 送料無料 (※北海道、沖縄...
その他のカー用品
商品品番DCR7EIX(2493)x2本メーカーHARLEY-DAVIDSON / ハーレーダビッドソン機種名FXDF ダイナ・ファットボブ(’07〜)型式-必要本数2注意事項記号(注意事項)の説明◎:各メーカールートよりご購入してく...
その他のカー用品
ドレスアップ カスタム パーツ 交換 部品 メンテナンス【参考適合車種】・メーカー:ダイハツ・車種:コペン・型式:L880K・参考純正品番:90987-02023 90987-02027 90987-02028※必ず純正品番が一致して...
その他のカー用品
アドバサリーコレクションのタイマーカバーです。アグレッシブでパフォーマンス重視のルックスです。適合:2017年以降M-EIGHTモデルに適合
その他のカー用品
■商品概要【入り数・付属品内容】1台・施工マニュアル付【カラー・材質】透明・TPU【形状・タイプ】パーツの形にカットされた車種専用フィルム■詳細説明車種専用のカット済フィルムです。車体のデザインや美観を変えることなく貼り付
この商品で絞り込む
その他のカー用品
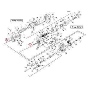
■商品概要メーカー品番:492628OEM品番/クロスリファレンス:31465-65素材:アルミ内容物:スターターシャフトハウジング×1■詳細説明ショベル用のスターターシャフトハウジング単体です。リプレイスにお役立てください。■注意点※形状
その他のカー用品
■商品概要I USED■注意点※取り扱い説明書は英語となります。※輸入商材の為、納期が遅れる場合がございます。あらかじめご了承ください。■適合車種91-17 B.T. (excl. 2017 Touring); 91-94 XL120...
その他のカー用品
LW80-1X No.18001〜 LT300-1AH No.20005〜 LT300-2 No.21001〜 GD22AC-1 No.1501〜 GD28AC-1 No.1002〜 GD405A-1 No.5002〜50112 No...
この商品で絞り込む
その他のカー用品
■注意■この商品は下記となります。必ずご確認ください。カラー:ブラック/スモーキー(060371)■他の商品はこちらですカラー:クローム/オレンジ(060346)はこちらカラー:クローム/レッド(060354)はこちらカラー:クローム...
その他のカー用品
DASH MAT. GREY DASHMAT. DASHBOARD COVER FIT TOYOTA HILUX 2005-2015 UTE PICKUP SRカテゴリUSダッシュボード カバー状態新品メーカー車種発送詳細送料一律 1...
その他のカー用品
H-Dスタイルを象徴するコレクション。H-DMOTORCO.のロゴが全てを物語っています。’99〜’00エボリューション1340モデル、’99〜’17ダイナモデル、’99〜’18ソフテイルモデル(FLSBを除く)、’99〜’15ツーリ...
その他のカー用品
■商品概要U.S.A.製:○素材:スチールモデル:POWERGLIDE™パッケージング:1個サイズ:+.005”専用設計:○スタイル:パフォーマンス補修タイプ:油圧リフターMADE IN THE U.S.A.:YesMAT...
その他のカー用品
■注意点※輸入商材の為、納期が遅れる場合がございます。あらかじめご了承ください。■適合車種57-E79 XL; 48-65 PANHEAD CHROME57-E79 XL; 48-65 PANHEAD CHROME
その他のカー用品
■バッテリー型式(品番)HD-155G51×2 ■数量2個 ■メーカーG&Yu BATTERY/G&Yuバッテリー ■商品名PRO HEAVY-D キャップタイプ ■機械メーカー小松製作所 ■機種モーターグレーダー ■機種型式GD31...
その他のカー用品
■商品概要18 AMP■注意点※輸入商材の為、納期が遅れる場合がございます。あらかじめご了承ください。※取り扱い説明書は英語となります。■適合車種84-90 XL(NU)84-90 XL(NU)
その他のカー用品
フォーク組立て作業時にシールへ使用するグリース。28g/チューブ入り
その他のカー用品
Brake Shoe Set fits Harley-DavidsonカテゴリBrake Shoes状態新品メーカー車種発送詳細全国一律 送料無料 (※北海道、沖縄、離島は省く)商品詳細輸入商品の為、英語表記となります。Conditi...
その他のカー用品
MOOG 271 Universal Joint For Select 77-15 Chevrolet Dodge Ford GMC ModelsカテゴリDriveshaft状態海外直輸入品 新品メーカー車種発送詳細 送料無料 (※北...
その他のカー用品
■商品概要サイズ:43Φ■注意点※ご注文の際にお取付予定バイクの車種名・年式をご指定下さい。※ミスミエンジニアリング製品は車体や部品に多少の加工を行い、その後に取り付ける事を前提に設計されているため正確な適合車種設定がご
その他のカー用品
参考:Standard214310006900 WFI194 IWP069当店ではこの商品の適合確認は行っておりません。※こちらの商品は純正品ではございません。輸入品の為、多少の汚れ、スレがある場合がございます。当社では複数店舗を運営...
この商品で絞り込む
その他のカー用品
Chevy Aveo 2007-2008 Gray Dash Cover Dash Board Mat Pad -Custom Fit-CH100-0カテゴリUSダッシュボード カバー状態新品メーカーChevrolet車種Aveo発送...
その他のカー用品
【商品番号】 99856-92 【商品説明】 ホイールベアリング、リアスイングアームベアリングへのご使用をお薦めします。
その他のカー用品
所持品を保護し、走行時の異音と振動を抑えます。ソフトタッチ仕上げのフェルト製ライナーは、フェアリンググローブボックス内部に完璧にフィットするよう成型されています。ベース部分とサイド部分を成型加工することで内部空間を最
その他のカー用品
■商品概要Primary Cover - Chrome - ’71-’85 FXColor/Finish:ChromeMaterial:AluminumMounting Style:8 HoleProduct Name:CoverRi...
その他のカー用品カテゴリで検索されているキーワード:
お探しの商品はみつかりましたか?
ご利用前にお読み下さい
© Kakaku.com, Inc. All Rights Reserved. 無断転載禁止